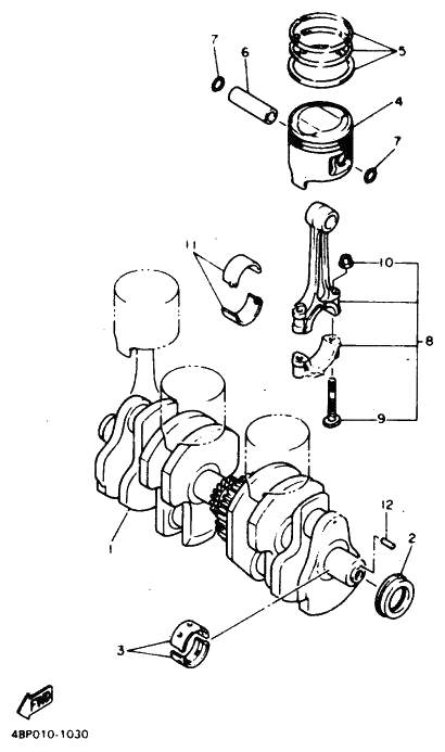
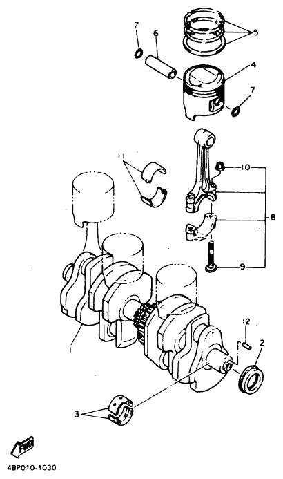
Klikový mechanismus

Detaily

TOMMZ
Klikový mechanismus
01.03.2006-20:36
616

Komentáře

Žádné komentáře

Zpět na Kresby součástí XJ