Archiv starého webu majitelů a příznivců Yamahy XJ
Přejít na obsah
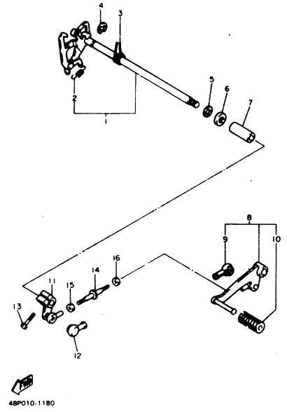
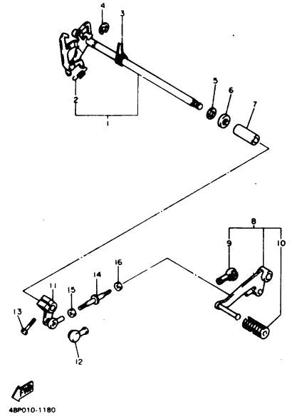
Řadící páka
XJ 600S řídítka
Zpět na Kresby součástí XJ
Komentáře