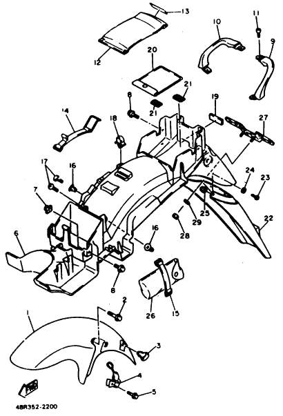
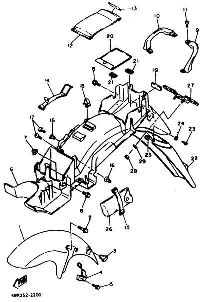
Přední, zadní blatník atd.

Detaily

TOMMZ
Přední, zadní blatník atd.
01.03.2006-21:02
234

Komentáře

Žádné komentáře

Zpět na Kresby součástí XJ