Archiv starého webu majitelů a příznivců Yamahy XJ
Přejít na obsah
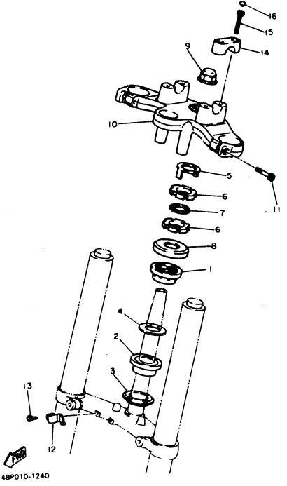
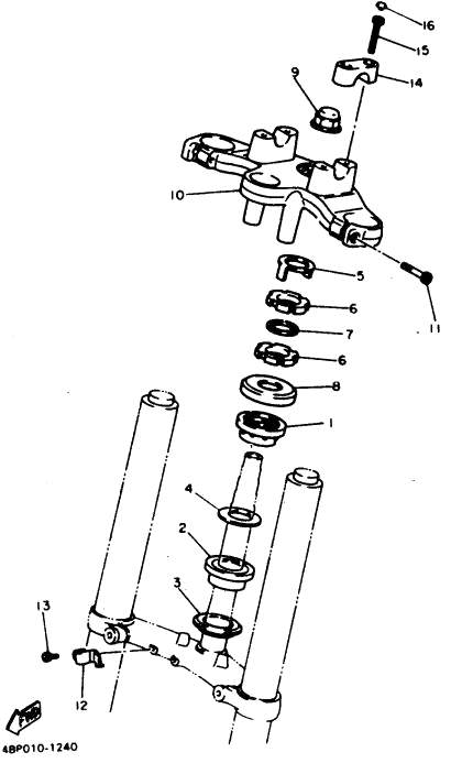
Uložení řízení
Přední světlo
Zpět na Kresby součástí XJ
Komentáře