Archiv starého webu majitelů a příznivců Yamahy XJ
Přejít na obsah
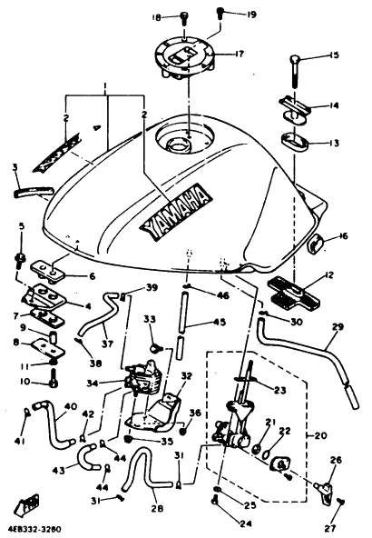
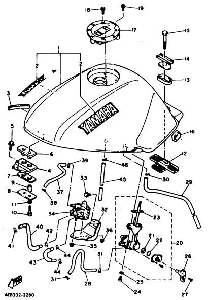
Palivová nádrž
Vačky a rozvodový řetěz
Zpět na Kresby součástí XJ
Komentáře