Archiv starého webu majitelů a příznivců Yamahy XJ
Přejít na obsah
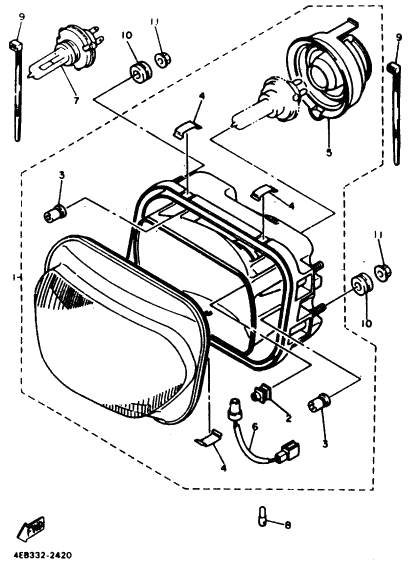
Přední světlo
Uložení řízení
Zpět na Kresby součástí XJ
Komentáře