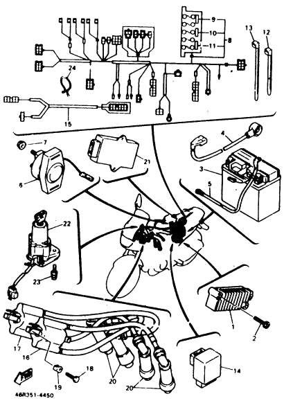
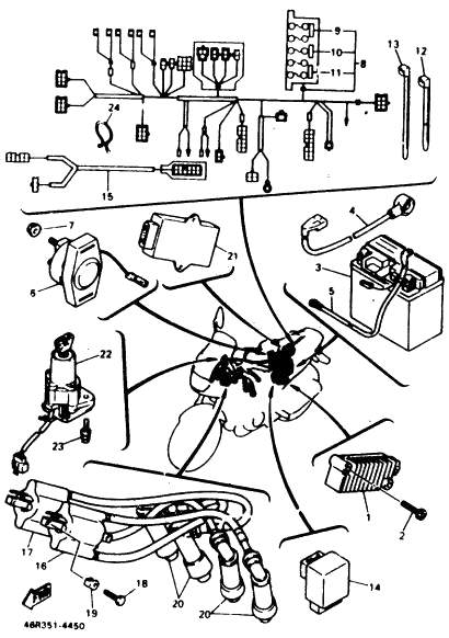
Elektrické součásti

Detaily

TOMMZ
Elektrické součásti
01.03.2006-21:17
484

Komentáře

Žádné komentáře

Zpět na Kresby součástí XJ