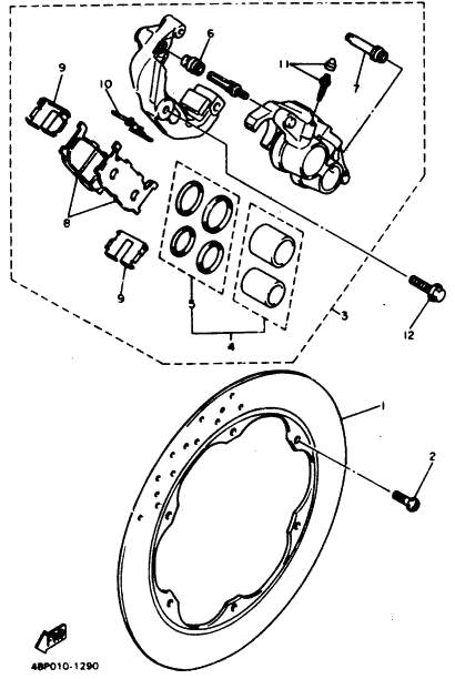
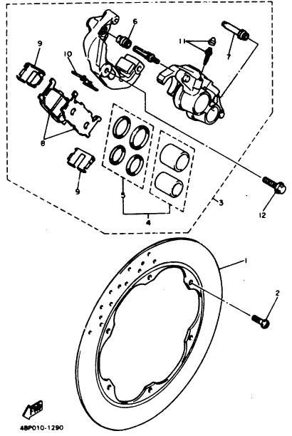
Přední brzdič, kotouč

Detaily

TOMMZ
Přední brzdič, kotouč
01.03.2006-21:18
251

Komentáře

Žádné komentáře

Zpět na Kresby součástí XJ